Next Working Day Delivery

delivery countdown placeholder

 
 

Mobile/Tablet

  Next Working Day Delivery

  No minimum order charge

Ex VAT Inc VAT
 

Item Code: 8030PP

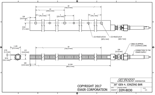
30" (762mm) Gen 4 Ionizing Bar With Power Supply

30" (762mm) Gen 4 Ionizing Bar With Power Supply

Item Code: 8030PP

30" (762mm) Gen 4 Ionizing Bar With Power Supply

EXAIR’s Gen4 Ionizing Bar requires no compressed air and eliminates static electricity on surfaces within 4" (102mm) of the bar.
The electrically powered Gen4 Ionizing Bar is compact, allowing it to fit in the confined spaces of machinery, where the charge is generated. They are ideal for surfaces which cannot be disrupted by airflow. Commonly used on paper, film and plastics that can attract dust and foreign materials which ruin product appearance, produce tearing or jamming, and zap personnel.


Version
762mm


Kit Includes
1x Ionizing Bar
1x Gen4 Power Pack


Advantages
Significantly improved performance when positioned 2" or closer to surface
Capable of minimizing static charge from up to 4" away
Rugged metal armored and electromagnetically shielded cable
Integrated ground eliminates additional ground connection
Durable stainless steel connections to Power Supply
Low cost
Rapid static decay
Compact
Effective up to 4" (102mm)
Shockless, non-radioactive
Rugged design for industrial environments
Easy to install, equipped with mounting flange
Low maintenance
Fully assembled

Quick Links

2 in stock

Ionizing Bar and Power Pack
762mm

£1079.26  ea. Excl VAT £1295.11  ea. Inc VAT

Qty

Product Wishlist & Compare Placeholder

Next Working Day Delivery on All In-Stock Products

 

modal placeholder

Quick Links