Next Working Day Delivery

delivery countdown placeholder

 
 

Mobile/Tablet

  Next Working Day Delivery

  No minimum order charge

Ex VAT Inc VAT
 

Item Code: HT6058

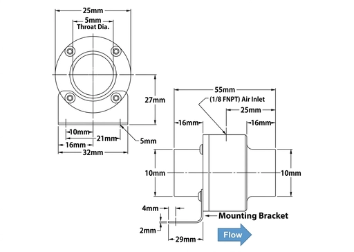
Stainless Steel High Temperature Line Vac. Compatable With 3/8" Hose/Pipe.

Stainless Steel High Temperature Line Vac. Compatable With 3/8" Hose/Pipe.

Item Code: HT6058

Stainless Steel High Temperature Line Vac. Compatable With 3/8" Hose/Pipe.

EXAIRs compressed air operated Line Vac connects to standard hose to create a powerful in-line conveyor material handling system. Unlike belt or screw type conveyor equipment, Line Vac conveyors are ideal for moving large volumes of material over long distances without clogging or jamming.

Version:
Stainless Steel
3/8" Connection
1/8" NPT Air Inlet

Note:
Models supplied with a NPT to BSP adapter.

Quick Links

Dispatch by 18/04/26

Line Vac Only
3/8"
Stainless Steel

£483.42  ea. Excl VAT £580.10  ea. Inc VAT

This product is currently out of stock. Your item will be shipped when it is back in stock.

Qty

Product Wishlist & Compare Placeholder

Next Working Day Delivery on All In-Stock Products

 

modal placeholder

Quick Links